es.png es-ph.png

艾利特ES616协作机器人

交互友好,超强内核,生态兼容,性能强大

ES616
  • 亮点
  • 参数
  • 图纸
  • 控制箱/示教器/示教软件
  • 相关资源
  • 相关产品

ES616

  • b3icon1-594.svg
    1100mm

    工作半径

  • b3icon2-752.svg
    16kg

    负载

  • b3icon3.svg
    ±0.03mm

    重复定位精度

  • b3icon4.svg
    33Kg

    自重

产品参数

  • 技术参数
  • 关节参数
  • 物理参数及认证
  • 配件型号
    • 名称参数
      自由度6
      负载16kg
      工作半径1100mm
      重复定位精度±0.03mm
      典型功耗435W
      安装方式任意角度
      工具I/O2xDI、2xDO(PNP)
      工具I/O供电24V,1.5A
      工具通信RS485

    • 关节运动范围关节最大速度
      基座±360°100°/s
      肩部±360°100°/s
      肘部±360°127°/s
      腕部1±360°153°/s
      腕部2±360°153°/s
      腕部3±360°153°/s
      工具最大速度2.4m/s2.4m/s
  • 名称参数
    自重33kg
    底座直径Φ128mm
    IP防护等级IP67
    工作环境温度-10℃ ~ 50℃
    工作环境湿度90%相对湿度(非冷凝)
    材料铝合金、钢、塑料、橡胶
    标准线缆长度5.5m
    • 名称参数
      控制箱ERB3C600
      MINI控制箱(选配)ERB1C600ME-Min
      示教器ERP500
      示教器(选配)ERP500S
ES系列_616.png

产品图纸

  • 外形尺寸图
  • 工作范围图
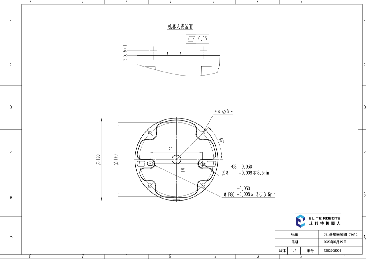
  • 基座俯视图
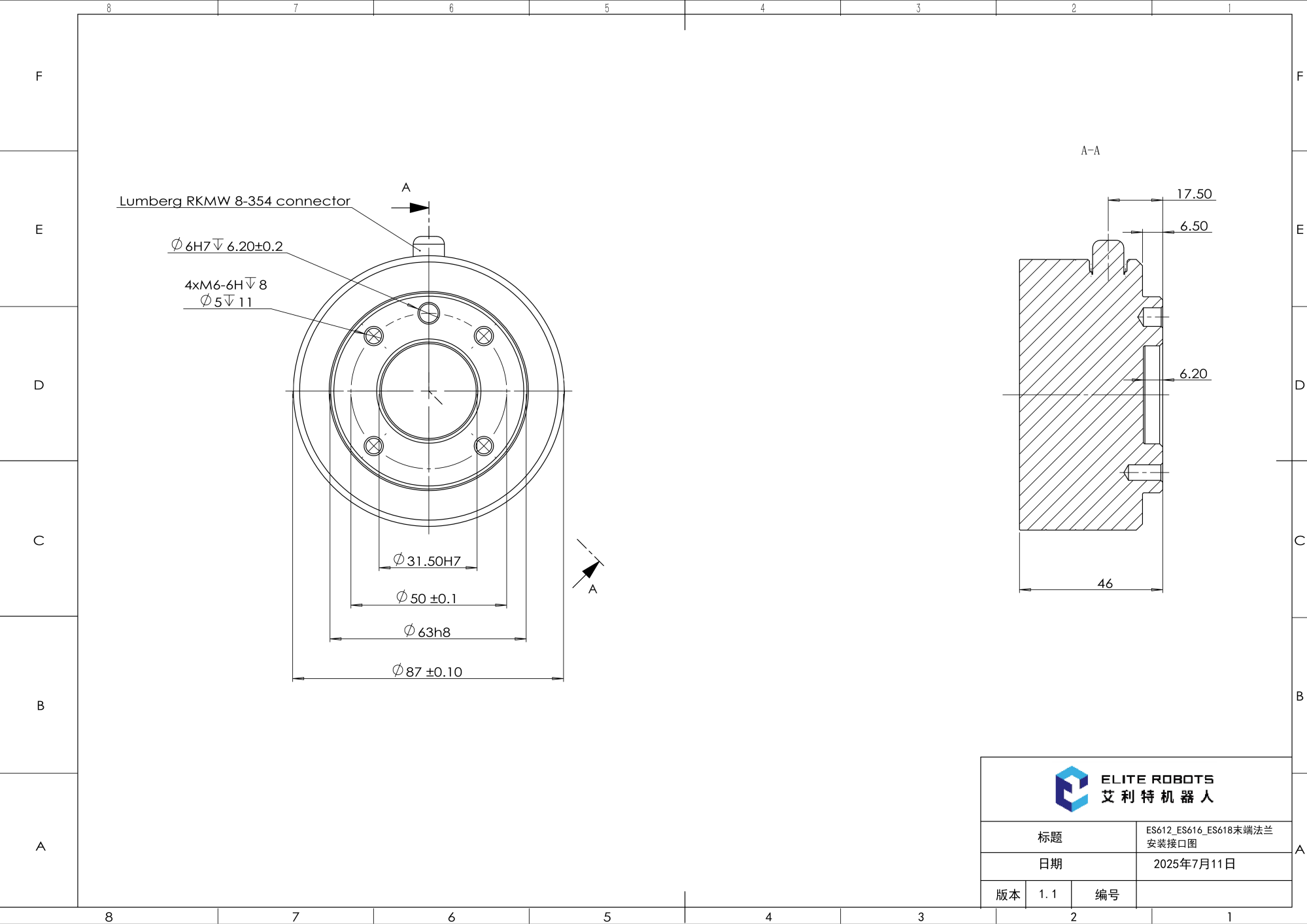
  • 末端法兰图
  • 控制箱

    ERB2E2K0-220/110 / ERB2E2K0-48/24 (标配)
    ERB1E2K0E-48 (选配)

    控制柜.png
  • 示教器/示教软件

    示教器/示教软件

    示教器.png
download-669.svg comicon14.svg

电话咨询

download-397.svg comicon15.svg

免费试用

Vector.svg Frame.svg

微信小程序

img1.jpg

微信小程序

准备好突破增长瓶颈,开启智能制造了吗?
了解我们的机器人如何帮助您的业务增长
欢迎下载艾利特机器人资料

我已阅读并同意艾利特《隐私政策》《法律声明》

我已知晓并同意艾利特通过电子邮件发送相关资料

提交