cs.png cs-ph.png

艾利特CS630协作机器人

安全稳定,简单易用,灵活拓展,高效智能

CS630
  • 亮点
  • 参数
  • 其他配件
  • 软件平台
  • 图纸
  • 相关资源
  • 相关产品

CS630

  • b3icon1-594.svg
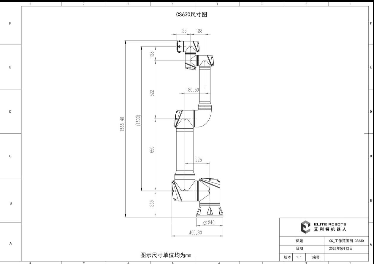
    1300mm

    工作半径

  • b3icon2-752.svg
    30kg

    负载

  • b3icon3.svg
    ±0.05mm

    重复定位精度

  • b3icon4.svg
    58Kg

    自重

产品参数

  • 技术参数
  • 关节参数
  • 物理参数及认证
  • 配件型号
    • 名称参数
      自由度6
      负载30kg
      工作半径1300mm
      重复定位精度±0.05mm
      典型功耗625W
      安装方式任意角度
      工具I/O4xDO/4xDI(可配置) 、1xAI 、1xAO
      工具I/O供电接口1:12V/24V,3A(三针模式),2A(双针模式),1A(单针模式); 接口2:24V,5A
      工具通信RS485、CAN(预留)

    • 关节运动范围关节最大速度
      基座±360°125°/s
      肩部±360°125°/s
      肘部±360°150°/s
      腕部1±360°210°/s
      腕部2±360°210°/s
      腕部3±360°210°/s
      工具最大速度2m/s2m/s
  • 名称参数
    自重58kg
    底座直径Φ240mm
    IP防护等级IP68
    工作环境温度-10℃ ~ 50℃
    工作环境湿度90%相对湿度(非冷凝)
    材料铝合金、钢、塑料、橡胶
    标准线缆长度5.5m
    • 名称参数
      控制箱ERB2C2K0 / ERB3C2K0
      示教器ERP500
      标准示教器ERP500S
CS630.png

产品图纸

  • 外形尺寸图
  • 工作范围图
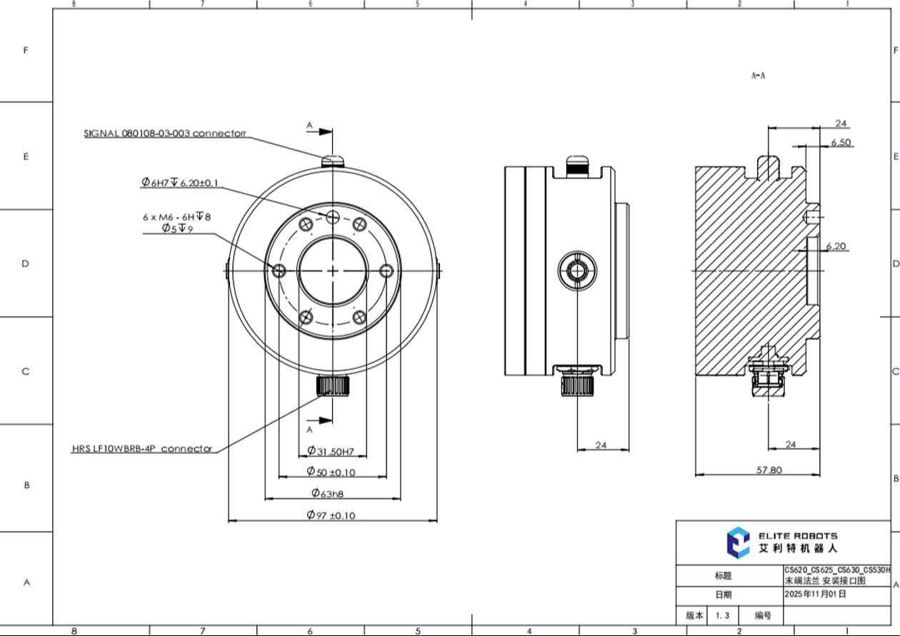
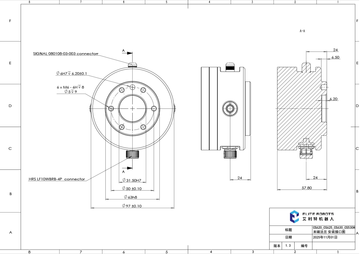
  • 末端法兰图
  • 控制箱

    ERB2E2K0-220/110 / ERB2E2K0-48/24 (标配)
    ERB1E2K0E-48 (选配)

    b1_img15.png
  • 示教器/示教软件

    示教器/示教软件

    b1_img16.png
download-669.svg comicon14.svg

电话咨询

download-397.svg comicon15.svg

免费试用

Vector.svg Frame.svg

微信小程序

img1.jpg

微信小程序

准备好体验轮式人形机器人带来的效率飞跃了吗?开启智能制造之旅
了解我们的机器人如何帮助您的业务增长
欢迎下载艾利特机器人资料

我已阅读并同意艾利特《隐私政策》《法律声明》

我已知晓并同意艾利特通过电子邮件发送相关资料

提交